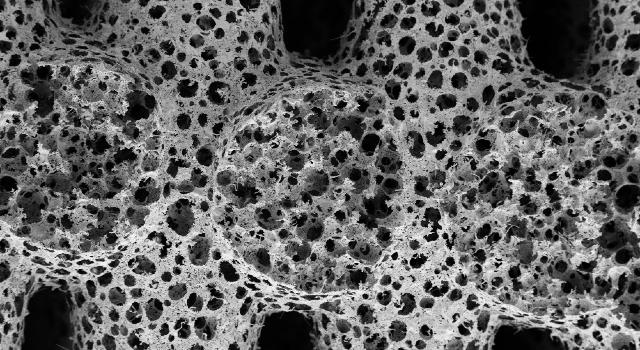
apheros provides metal foam cooling solutions. We have a patent-pending, easily scalable manufacturing route for metal foams with unique cooling properties. Our foams have excellent wicking and bubble transport properties, they are mechanically stable and pleasing to touch - not a given for metal foams. They also have a large thermal conductivity and are easy to process. Our first product is a copper foam heat sink which is optimal for passive cooling applications where it significantly outperforms current solutions both in terms of cooling performance as well as ecological impact due to our low-waste production method.
Out metal foams have also found interest as electrodes and catalysts because of their incredibly large surface area (100x what can be found on the market today).
